地坪定制

地面通道线、区域划分线
线型
A类--黄色油漆实线
线宽 60mm:原则上用于物品定位线;
线宽 80mm:原则上用于设备区域线;
线宽120mm:原则上用于主通道线。
图例:

B类--黄色油漆虚线、
线宽60mm:大型工作区域内部划分线,允许穿越的通道线(可虚实结合)
图例:
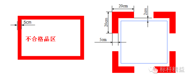
C类--红色实线
线宽60mm:不良品摆放区的划分线(碰到三面围墙处,第四面地面划一条红色实线);
图例:

D类-黄色与黑色组成的斜纹斑马线(倾斜45º)
危险品区域线、警示区域线,消防通道线;
图例:

定位线
A类—设备的定位:
所有设备与工作台的定位均用黄色四角定位线,工作台的四角定位线的内空部分注明“XX工作台/设备”字样。
图例:

B类—不良品区(废弃物的回收桶、箱、不良品放置架)定位
用红色线,如果定位范围小于40cm×40cm,则直接采用封闭实线框定位;
图例:

C类—消防器材、油类、化学品等危险物品的的定位
使用红白警示定位线;
图例:

D类—物料码放架与形状规则的常用物品、所有可以移动或容易移动的设备的定位
使用黄色四角定位线
图例:

E类—消防栓、配电柜等禁放物品的开门区域处的定位
使用黄白相间的斑马式填充线
图例:



F类—移动式设备的定位(如液压叉车、电动叉车、物料周转车等)
使用黄线四周定位线,并标明起动方向;
图例:

G 类--货架的定位
图例:

H 类--门开闭线
图例:

I 类--限高线
图例:

J类--警示范围线
设置在墙面的消防栓;配电柜、配电箱、电气控制柜等;提醒作业操作注意的区域、提醒行走注意的区域、提醒碰头的部位等;
图例:

K类--台面物品定位
待加工零件、已加工零件、作业工具,检查工具、记录表、小物盒
图例:

通道划线

图例:

刷油漆的注意事项
因电脑显示效果与实际颜色有一定的偏差,可根据各种颜色(明黄色、天蓝色、大红色、标准绿色)的实际效果调配颜色,但要求与电脑所显示的色样效果接近,且在工厂内部保持一致。
工具标识牌
公司统一订制的工具柜、模具架、物品柜标识牌(贴在柜门左上角),标明工具类别,负责人。
图例:

以上规定各单位在具体执行时可作个别调整,如一些只需标识名称的简单场合可自行打印制作,但要求醒目、美观,力求单位内部统一规范。
车间物料标识牌
车间内部的物料放置点、待加工、已加工物料放置点,对物料名称、数量、规格以及最大上限的控制。
图例:

区域标识牌设置

其他注意事项
1) 垃圾桶不靠墙定点存放,定时清理,不得外溢和积压。
2) 工作场所定置图要规划和显示出:
生产场地(或班组区域位置)
通道
在制品周转地
垃圾存放点
其他
3) 工作或生产现场内,凡定置图中未注明的设施和物品应予以清除,做到图物相符。
4) 车间里面的窗户不能悬挂窗帘或其他障碍物。
5) 班组休息区有明确的定置与标语



